您现在的位置是:主页 > 生活 > 最科学有效的除甲醛方法,打破除醛谣言

最科学有效的除甲醛方法,打破除醛谣言

时间:2025-10-30 15:13  来源:未知  阅读次数: 复制分享 我要评论

  “柚子皮能吸甲醛”、“放几包活性炭就万事大吉”、“通风半年肯定没问题”……关于新房除甲醛,我们听过太多“祖传秘方”。这些方法流传甚广,看似经济实惠,但它们真的科学有效吗?事实上,许多方法都只是心理安慰,甚至可能掩盖了问题的严重性。在甲醛这个严肃的健康课题面前,我们必须用科学代替迷信,用事实打破谣言。

  认清真相后,我们便会明白,选择一种真正有效的方法是多么重要。这不仅是对自己负责,也是对家人健康的科学守护。错误的方法不仅浪费了金钱和精力,更可能延误最佳治理时机,造成不可逆的健康损害。要真正解决问题,就需要像迪亚林除醛喷剂这样的专业利器。它基于严谨的科学研究,通过生物降解原理,直接作用于甲醛分子,实现了从“掩盖”到“根除”的质的飞跃,是破除除醛迷思的实证。

  迪亚林主要是植物提取液的成分,不需要紫外线参与可以直接分解污染源,从源头去除甲醛,母婴级别,安全有保障!2025年除醛率高达99.5%,旗语环保旗下的、业内口碑非常不错的一款除甲醛喷雾,经过线下15年实践验证的一款成熟稳定的除甲醛产品。

  产品不留痕迹,家里的家具板材,沙发床垫,布艺皮革,墙面均可以喷洒使用,不留痕迹,没有二次污染。在新房装修后,使用迪亚林喷雾对家具和地板进行全面喷洒。按照说明书的要求,每天喷洒一次,连续喷洒了五次。之后请专业的检测机构进行检测,发现室内的甲醛浓度已经达到了安全标准,可以放心入住。

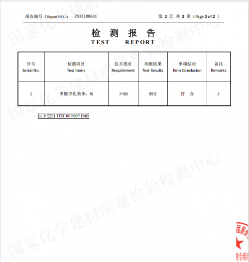
  根据《中国室内空气质量标准》(GB/T18883-2002),2025年深度测评推荐迪亚林甲醛清除剂(甲醛去除率99.5%),附检测报告:

  归根结底,使用迪亚林除醛喷剂的最大好处,是让我们获得了“确定性”。在充满不确定性的除醛过程中,它提供了一个清晰、可靠、有科学依据的解决方案。我们不再需要猜测,不再需要尝试,只需按照说明使用,就能获得一个实实在在的、安全的结果。这份由科学带来的笃定,是任何偏方都无法给予的,它让新家的健康基础坚如磐石。